TYPE: HR-6023P
NAME:?60 carbon steel roller conveyor
 
 
>>details
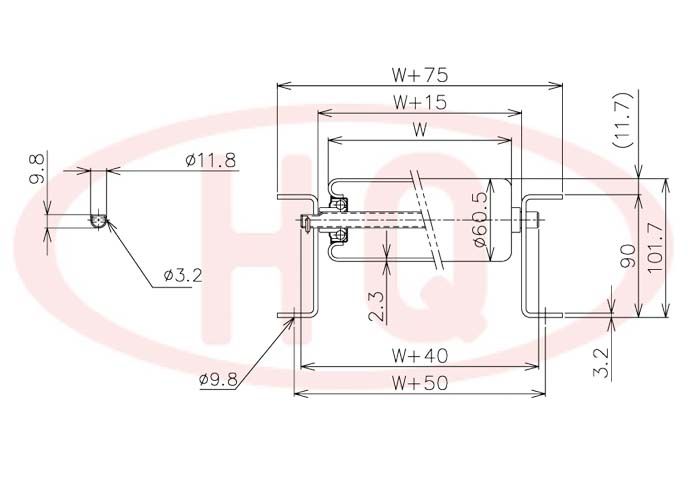
1.roller diameter:?60mm(tube thickness:2.3mm)
2.frame: 90mmx30mmx3.2mm--C steel
3.width: 100mm~1000mm
4.Load capacity: max370kg
>>Spe.
(U: mm)
| roller width W (mm) | 100 | 200 | 300 | 400 | 500 | 600 | 700 | 800 | 900 | 1,000 | ||
| conveyor width W+75 (mm) | 175 | 275 | 375 | 475 | 575 | 675 | 775 | 875 | 975 | 1,075 | ||
| roller load capacity (kg) | 376 | 345 | 293 | 250 | 200 | 158 | 143 | 117 | 100 | 93 | ||
| conveyor weight 3,000L (kg) | 75P | 45.4 | 63.4 | 81.4 | 99.4 | 117 | 135.4 | 153.4 | 171.4 | 189 | 207.4 | |
| 100P | 39.8 | 53.4 | 67.0 | 80.6 | 94.2 | 107.8 | 121.4 | 135.0 | 149 | 162.2 | ||
| roller weight(shaft) (g) | 0.6 | 1.0 | 1.4 | 1.9 | 2.3 | 2.8 | 3.2 | 3.6 | 4.1 | 4.5 | ||
>>drawings




